低值耗材集采變了
福建正在大力推進普耗集采改革。
01
多地通知,又有6類耗材將降價
8月18日-8月19日,福建漳州、廈門醫保局分別發布《一次性使用壓力延長管、注射器全省性聯盟集中帶量采購公告(第1號)》《一次性使用有創血壓傳感器、一次性使用宮頸擴張球囊全省性聯盟集中帶量采購公告(第1號)》。
此外,福建寧德醫保局發布《關于公開征求一次性使用靜脈營養袋、一次性使用血氧飽和度傳感器兩類醫用耗材全省性聯盟集中帶量采購文件(征求意見稿)意見的通知》



其中,一次性使用有創血壓傳感器、一次性使用宮頸擴張球囊產品要求及最高有效申報價如下:


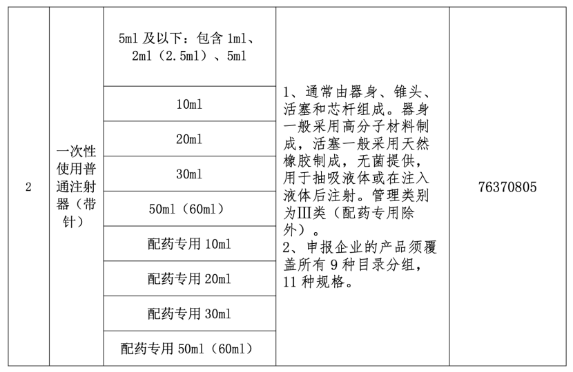
一次性使用壓力延長管、注射器采購品種、分組情況、采購需求量如下:


一次性使用靜脈營養袋、一次性使用血氧飽和度傳感器的采購品種及具體要求如下(尚在征求意見階段):


福建醫保局今年2月發布的《關于印發2025年全省醫療保障工作要點的通知》中明確,“大力推進地市普耗集采改革,原則上具備條件地市至少承擔1項普耗全省聯盟集采任務,年底前全省集采藥品、耗材力爭達到800種、70類”。
截至目前,福建漳州、廈門、寧德、南平、漳州、泉州、莆田、龍巖、三明均已發布相關通知,采購品類以低值耗材為主。
具體包括一次性使用靜脈營養袋、一次性使用血氧飽和度傳感器、一次性使用壓力延長管、注射器、一次性使用有創血壓傳感器、一次性使用宮頸擴張球囊、一次性使用輸尿管導引鞘、一次性使用陰道擴張器、Y接頭、真空采血管、一次性使用高壓造影注射器及附件、輸液接頭、環柄注射器、三連三通醫用耗材、一次性活檢針、一次性包皮切割吻合器等16類耗材。

02
2025集采新模式繼續擴圍
耗材「高效降價」
2025年,耗材集采繼續“高效模式”。
由地級市牽頭的低值耗材聯盟集采模式正在快速擴圍。除福建外,江西、遼寧等地也有地級市牽頭省內聯盟低值耗材集采的系列探索。多線并行推進之下,普通耗材實現快速降價。
低值耗材的省際聯盟集采也在推進中。8月11日,遼寧發布《省際聯盟縫合線等5類醫用耗材集中帶量采購文件(征求意見稿)》,此次由遼寧醫保局牽頭,天津、河北、山西、內蒙古、吉林、黑龍江、安徽、江西、河南、湖北、廣西、海南、重慶、四川、貴州、云南、西藏、陜西、甘肅、青海、寧夏、新疆、新疆生產建設兵團組成24省(市、區、兵團)采購聯盟,開展縫合線、注射器(帶針)、泵用輸液器、吸氧管、真空采血管(含靜脈血樣采集針)5類醫用耗材。
經歷了去年的首次探索后,堪稱“小國采”的耗材全國聯采今年繼續推進,中醫針具、高頻電刀等多類新品納入。
此外,最低價聯動集采的規模進一步擴大。
8月13日,江西發布《江西省醫用耗材帶量價格聯動采購工作方案(征求意見稿)》,擬由宜春牽頭組建全省藥耗帶量價格聯動市級聯盟,開展耗材帶量聯動采購,品種包括已有省際聯盟或省級聯盟(包含市級聯盟全省執行)的集采中選結果,而江西省未集采的部分品種。
據觀察,49類耗材被納入其中。
在此種帶量采購模式下,江西可快速分享省級及以上規模集采的議價成果,實現耗材的批量降價。對于采購方而言,也節省了較大工作量,在很大程度上提升了集采效率。
耗材帶量聯動采購并不是集采的新模式,不過此前地方層面的聯動采購,大多仍處在分批探索的階段。全線聯動的情況較少見,后續是否會在其他地區推廣,還有待觀察。
集采常態化后,降價已不再是新鮮事。對于尚未集采、有較大價格空間的產品而言,剩余的時間窗口恐怕不會太多。
【來源:賽柏藍器械】

上一篇:耗材“小國采”來了,明日報量!
下一篇:高值耗材,大型聯盟集采啟動!






