這些耗材,多省不予上市!
不使用UDI產品無法注冊上市,產品標識碼已與醫療器械注冊掛鉤
2021年全域推進UDI
日前,福建省衛健委、福建省醫療保障局印發《全面推進醫療器械唯一標識系統建設工作的通知》,通知指出,2021年福建省被國家列入全域推進UDI試點省份,將進一步強化“三醫聯動”推進UDI建設,調整和充實福建省醫療器械唯一標識系統試點工作的組織領導機構,在UDI協助小組4個工作組的基礎上增設“四碼映射組”。

“四碼映射組”主要負責推進UDI碼與醫保編碼、收費編碼、字典編碼的映射工作,拓展UDI在醫療、醫保、監管等領域的銜接應用研究,探索唯一標識在采購、結算中的應用模式,在海關、商務,工信部門的推廣運用。
據賽柏藍器械觀察,2019年7月以來,福建省按照《國家藥監局綜合司國家衛生健康委辦公廳關于印發醫療器械唯一標識系統試點工作方案的通知》要求,開展醫療器械唯一標識(UDI)系統試點工作。
目前,福建醫療器械唯一標識系統試點工作部門協作工作小組對UDI系統試點工作進行了評估,現將工作積極性高、試點推進工作較好的廈門、福州、泉州3個設區市市場監管局,大博醫療科技股份有限公司、英科新創(廈門)科技有限公司、廈門萬泰凱瑞生物技術有限公司3家醫療器械生產企業、福建國藥器械有限公司、福建優智鏈醫療科技有限公司2家醫療器械經營企業;
廈門大學附屬心血管病醫院、廈門弘愛醫院、福州市第二醫院、泉州市正骨醫院4家醫療機構列入福建省UDI試點示范單位。
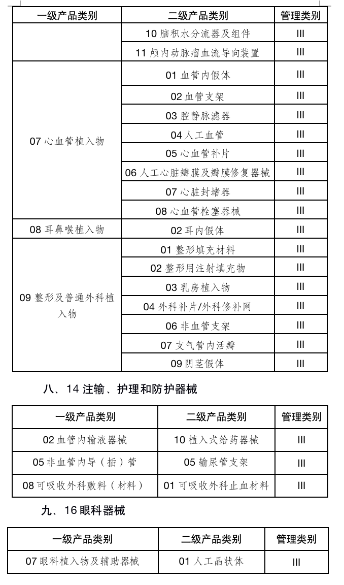
9大類69個品種已落地
在生產領域生產領域,福建省藥監局指出,國家第一批實施醫療器械唯一標識的9大類69個品種已正式實施,自2021年1月1日起,省內涉及該類品種企業必須全部賦碼上市。
按照國家藥監局要求,未按要求填報產品標識(DI)的,注冊申報資料將不予簽收,這意味著,不使用UDI產品就無法注冊上市。將產品標識碼和醫療器械注冊掛鉤,對醫療器械企業來說更具緊迫性。
其他省內III類產品的企業應于2021年7月1日前將III類產品標識(DI)上傳到國家局,并指定專員對數據真實性、準確性、完整性負責。
2021年7月1日起,新申辦和再注冊的Ⅱ類醫療器械注冊人應當將其產品標識(DI)上傳至國家醫療器械唯一標識數據庫,并在產品上市銷售前完成賦UDI碼工作。
鼓勵其他已上市的Ⅱ類產品生產企業盡早完成產品UDI的賦碼工作。
醫療器械生產企業應當提升產品的賦碼質量,做好成品入庫前的掃碼驗證工作,防止無效碼的產品流入市場;
同時,企業應當根據自身產品的特點,充分考慮使用機構在臨床使用中最小銷售單元與最小使用單位(DI)關聯性,在賦碼層級設計上提升科學性,合理性及終端使用的便利性。
在經營領域,醫用耗材集中帶量采購的醫療器械配送企業、醫療器械代貯代送經營企業應當于2021年7月1日前實現對所有已賦碼的產品進行掃碼入庫、出庫,并做好與上下游單位數據銜接工作。
各設區市市場監管局負責督促醫用耗材集中帶量采購的醫療器械配送企業、醫療器械代貯代送經營企業落實UDI在流通環節的系統建設工作,鼓勵其他醫療器械經營企業盡快參與實施UDI系統的運用,并于7月底前向省藥監局報送轄區醫療器械經營企業實施UDI的情況。
一碼聯通時代已到來
在使用領域,福建省藥品監督管理局、衛生健康委員會、醫保局共同推進UDI在使用領域的運用,推進UDI與“醫保編碼”“收費編碼”“字典編碼”建立映射關系,省級陽光采購平臺根據映射情況完善平臺數據UDI標識。
各級衛生健康部門和市場監管局要共同督促相應級別醫療機構加強本單位信息化系統建設,運用UDI實現對醫療器械的精細化管理。
已實現通過UDI掃碼解析等院內入庫、出庫、消耗等各環節的運用的UDI試點示范醫療機構,于2021年7月1日前完成UDI碼與“醫保編碼”“收費編碼”“字典編碼”的映射,實現UDI碼的“一碼聯通”。
UDI試點醫療機構應當于2021年9月30日前實現對所有已賦UDI碼產品的UDI碼解析和運用,積極推進已賦UDI碼的醫療器械在院內全程掃碼流轉,推動運用UDI實現對醫療器械的精細化管理。
UDI試點醫療機構不再接收《關于深入推進試點做好第一批實施醫療器械唯一標識工作的公告》所列9大類69個品種2021年1月1日之后生產的無UDI碼的產品,但不應拒絕此日期前生產的無UDI碼產品。
福建省藥監局指出,其他醫療機構應當參照“醫療機構UDI實施指南”積極推進UDI工作,運用UDI實現對醫療器械的精細化管理。全國統一的國家醫保編碼落地后,各單位應當及時做好UDI碼與國家醫保編碼的映射工作。
醫療器械唯一標識(Unique Device Identification,簡稱UDI)由產品標識(DI)和生產標識(PI)組成,是醫療器械統一有效的編碼系統,可以通俗地理解為“醫療器械的身份證”。
醫療器械唯一標識是醫療器械的“身份證”,是唯一、精準識別醫療器械的基礎,貫穿醫療器械生產、流通、使用各環節,將影響醫療器械全生命周期。
醫療器械“身份證”長什么樣子?各部分都代表什么?

據企業介紹,“身份證”類似于商品的條碼,它由兩部分構成,前部分是企業的基本信息,包括包裝信息等,第二部分主要是企業生產的動態信息,該碼可以實現全流程的管理,最終可以關聯到醫院的電子病歷。




【來源:賽柏藍器械】

相關閱讀
- 2022年底上海第二類醫療器械產品注冊周期縮短至6-7個月2021-05-21
- 上海自貿區“證照分離”有了升級版 醫療器械注冊證試行2017-12-18
- 新版醫療器械分類目錄實施在即2017-05-27
- 醫療器械召回管理辦法落地 徹底影響械企!2017-05-02
- 專項整治!醫療器械經營使用環節違法違規行為2017-04-10






